Cuộn kháng Epcos B44066D7012M440 7% tụ bù 3P 12.5kVAr 440V 50Hz được sử dụng để kháng sóng hài cho tụ bù Epcos và các dòng tụ bù khác. Sản phẩm được Etinco phân phối chính hãng tại Việt Nam.
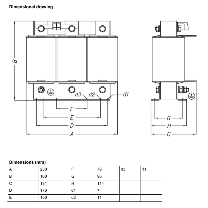
Kích thước cuộn kháng Epcos B44066D7012M440 12.5kVAr 7% 440V:
