Sơ đồ nguyên lý tủ điện là cơ sở quan trọng để các kỹ sư đọc hiểu cách thức hoạt động, vận hành của các thành phần có trong tủ điện. Trong đó, xác định ký hiệu điện, hướng dòng điện và chức năng của các khối chức năng là công đoạn không thể bỏ qua. Bạn có thể theo dõi bài viết sau của chúng tôi để tìm hiểu về cách đọc sơ đồ nguyên lý tủ điện hạ thế chính xác.
Sơ đồ nguyên lý tủ điện là gì?
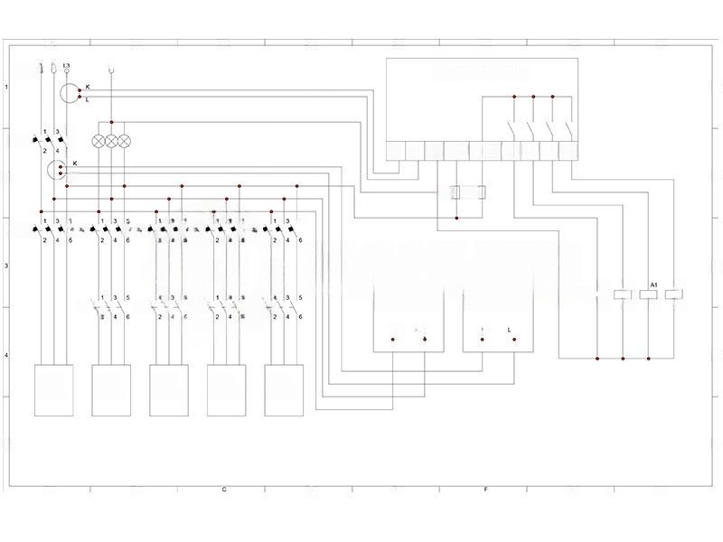
Sơ đồ nguyên lý tủ điện (hay còn được gọi là sơ đồ mạch điện nguyên lý) là một bản vẽ chi tiết thể hiện mối liên hệ và cách tương tác giữa các thiết bị và linh kiện có trong hệ thống điện. Dựa vào sơ đồ này, kỹ sư điện có thể dễ dàng nắm bắt cấu trúc và cách thức hoạt động của mạch điện, từ đó thuận tiện cho việc lắp đặt, vận hành hoặc sửa chữa, bảo trì tủ điện.

Khác với sơ đồ vật lý, sơ đồ nguyên lý tập trung vào logic hoạt động và mối liên kết điện thay vì phản ánh vị trí hay cách lắp đặt thực tế của các thành phần điện trong không gian tủ điện. Do đó, các thành phần trong sơ đồ này thường được biểu diễn dưới dạng biểu tượng, ký hiệu hoặc đường kết nối. Riêng các ký hiệu điện bắt buộc phải tuân theo quy ước quốc tế hoặc quốc gia để thống nhất về cách đọc hiểu giữa các kỹ sư hoặc kỹ thuật viên.
Hiện có 3 loại sơ đồ nguyên lý phổ biến là sơ đồ dòng chảy, sơ đồ mạch và sơ đồ dòng điện.
- Sơ đồ dòng chảy sử dụng biểu tượng hình học để mô tả quá trình vận hành dòng điện theo dạng chuỗi các bước.
- Sơ đồ mạch là dạng sơ đồ nguyên lý phổ biến nhất, thể hiện mối liên kết giữa các thành phần trong mạch dưới dạng các đường dẫn.
- Sơ đồ dòng điện sử dụng ký hiệu đã được quy ước để biểu diễn các thành phần và mối liên kết giữa các phần tử này.
Việc thiết kế và triển khai sơ đồ nguyên lý tủ điện yêu cầu phải do người có chuyên môn kỹ thuật thực hiện, trong đó các thành phần quan trọng như vị trí của thiết bị đóng cắt - bảo vệ, đường dây dẫn điện, ký hiệu của thiết bị điện cần được minh họa một cách rõ ràng, đồng thời thể hiện được cách các thành phần này tương tác.
Hướng dẫn cách đọc sơ đồ nguyên lý tủ điện công nghiệp

Xác định loại sơ đồ nguyên lý tủ điện
Mỗi sơ đồ nguyên lý sẽ có cách bố trí thiết bị và mục đích sử dụng khác nhau. Vì vậy, để đọc được sơ đồ này, bạn cần xác định chính xác loại sơ đồ cần đọc.
Ví dụ:
- Sơ đồ điều khiển: Chức năng chính là mô tả nguyên lý hoạt động của nhóm thiết bị điều khiển như contactor, relay, timer, biến tần…
- Sơ đồ động lực: Chủ yếu thể hiện cách cấp nguồn và truyền tải năng lượng đến thiết bị công suất lớn.
- Sơ đồ tổng hợp: Kết hợp cả sơ đồ điều khiển và sơ đồ động lực trong cùng 1 bản vẽ.
Nhận biết các ký hiệu
Mỗi thiết bị điện có trong sơ đồ nguyên lý đều được quy ước 1 ký hiệu riêng. Bạn có thể theo dõi bảng ký hiệu sau đây để nhận biết 1 số thiết bị thông dụng.
| Ký hiệu | Tên thiết bị |
| R | Rơ le |
| Q | Công tắc hoặc bộ ngắt tự động |
| M | Động cơ |
| K | Contactor |
| L | Đèn báo |
| T | Máy biến thế |
| F | Cầu chì |
| + hoặc – | Dòng điện một chiều hoặc phân cực |
Ngoài ra, sơ đồ nguyên lý tủ điện còn có các biểu tượng thể hiện dây dẫn, dòng điện, nút nhấn, đèn báo, thiết bị phụ tải… Tham khảo trong bảng sau.

Xác định hướng dòng điện
- Đối với chiều dòng điện đi từ nguồn đến tải, đa phần sẽ được biểu diễn bằng mũi tên từ trên xuống dưới hoặc từ trái qua phải. Thực tế, dòng điện sẽ bắt đầu từ CB hoặc nguồn 3 pha, đi qua thiết bị điều khiển, cuối cùng là đến thiết bị phụ tải.
- Với mạch điều khiển, chiều dòng điện cũng tuân theo nguyên tắc từ nguồn đến tải. Cụ thể, từ cực dương của nguồn DC hoặc pha nóng của nguồn AC 1 pha, dòng điện đi qua nút nhấn Start/ Stop, đến tiếp điểm relay và cuộn hút contactor hoặc thiết bị điều khiển, sau đó sẽ quay trở lại nguồn âm hoặc pha trung tính.
Phân tích chức năng thành phần
Sơ đồ nguyên lý tủ điện thường chia thành nhiều khối chức năng riêng biệt, tương ứng là nhóm thiết bị và linh kiện đặc thù. Việc hiểu rõ từng thành phần trong sơ đồ giúp quá trình đấu nối cũng như khắc phục sự cố được thực hiện nhanh chóng.
- Khối cấp nguồn: Chịu trách nhiệm cung cấp điện cho toàn bộ hệ thống. Thiết bị đặc trưng gồm CB tổng, cầu chì, biến áp. Vị trí lắp đặt là ở đầu sơ đồ, nơi dòng điện bắt đầu.
- Khối bảo vệ: Bao gồm nhóm thiết bị aptomat, cầu chì, rơ le nhiệt, được lắp đặt ngay sau nguồn và trước tải, có nhiệm vụ đóng ngắt mạch điện khi có sự cố xảy ra.
- Khối điều khiển: Gồm contactor, relay, timer, biến tần, nút nhấn, lắp đặt ở trung tâm mạch điều khiển, thực hiện chức năng điều khiển thiết bị/ động cơ thủ công hoặc tự động.
- Khối tải: Đây chính là nhóm thiết bị tiêu thụ điện (đèn, motor, máy móc). Vị trí lắp đặt ở cuối sơ đồ, sau khối điều khiển.
- Khối hiển thị: Có nhiệm vụ hiển thị và chỉ báo tình trạng hoạt động của tủ điện. Thiết bị của khối này như đèn báo, đồng hồ đo lường, nút dừng khẩn cấp thường lắp ở mặt tủ điện để dễ quan sát và thao tác.
Xác định nguyên lý hoạt động tủ điện
Xác định được nguyên lý hoạt động của tủ điện sẽ giúp bạn nắm bắt được quy trình vận hành của toàn bộ hệ thống.
Xác định đầu vào, đầu ra:
- Đầu vào: Thể hiện qua các linh kiện như nút nhấn, công tắc, cảm biến, PLC.
- Đầu ra: Phổ biến nhất là các thiết bị tiêu thụ điện.
Trình tự dòng điện điều khiển: Dòng điện điều khiển hoạt động theo một logic nhất định, bắt nguồn từ nút start kích hoạt cuộn hút contactor. Khi contactor đóng, các tải sẽ được cấp điện. Trường hợp mạch điện gặp sự cố, rơ le nhiệt sẽ tác động để ngắt mạch.
Tham khảo tài liệu từ nhà sản xuất: Đây là nguồn thông tin quan trọng nhất trong quá trình đối chiếu và đọc hiểu sơ đồ nguyên lý tủ điện. Việc tham khảo tài liệu chính thống từ nhà sản xuất giúp bạn hiểu rõ chức năng của từng nhóm thiết bị, cách đấu nối đúng kỹ thuật, cũng như cách xử lý các sự cố thường gặp.
Câu hỏi thường gặp về sơ đồ nguyên lý tủ điện

Câu hỏi 1: Ký hiệu thiết bị trong sơ đồ nguyên lý tủ điện có khác nhau ở các quốc gia không?
Trả lời: Thông thường, ký hiệu của thiết bị điện sẽ được đặt theo quy ước quốc tế chung. Tuy nhiên, theo cách gọi tên thiết bị đặc trưng ở mỗi quốc gia, có một số thiết bị sẽ được ký hiệu riêng. Bạn nên tham khảo tài liệu hướng dẫn của nhà sản xuất để nhận biết chính xác ký hiệu thiết bị.
Câu hỏi 2: Sơ đồ nguyên lý tủ điện khác sơ đồ vật lý như thế nào?
Trả lời: Trong khi sơ đồ nguyên lý cho biết cách các thành phần điện liên kết và tương tác thì sơ đồ vật lý lại thể hiện rõ vị trí và cách lắp đặt các thiết bị - linh kiện điện trong tủ điện vật lý. 2 loại sơ đồ này phục vụ cho mục đích khác nhau.
Trên đây chúng tôi đã hướng dẫn bạn cách đọc sơ đồ nguyên lý tủ điện chi tiết. Hy vọng bạn có thể áp dụng vào thực tế để đọc hiểu sơ đồ nguyên lý hệ thống đang vận hành. Để tìm hiểu các kiến thức khác liên quan đến tủ điện, vui lòng truy cập: https://etinco.vn/tin-tuc/kien-thuc/kien-thuc-tu-dien/