Sơ đồ nguyên lý trạm biến áp cung cấp cái nhìn trực quan về mối liên hệ giữa các thiết bị chính có trong trạm, hỗ trợ công tác thi công, lắp đặt, sửa chữa và bảo trì của các kỹ sư điện. Vậy một sơ đồ nguyên lý trạm biến áp gồm những thành phần nào và cách đọc hiểu ra sao? Bạn có thể tìm hiểu chi tiết trong bài viết dưới đây.
Nguyên lý hoạt động của trạm biến áp
Để tìm hiểu sơ đồ nguyên lý của trạm biến áp, trước bạn cần hiểu được nguyên lý hoạt động của trạm.

Cơ bản, trạm điện hoạt động dựa trên nguyên lý cảm ứng điện từ của máy biến áp. Quá trình vận hành của trạm trải qua các bước như sau:
- Nhận điện áp cao từ lưới truyền tải: Điện khi truyền đi từ các nhà máy điện thường ở mức siêu cao thế hoặc cao thế (110kV, 220kV, 500kV) để giảm thiểu tổn thất điện năng trong quá trình truyền tải đi xa.
- Giảm điện áp xuống mức phù hợp cho lưới phân phối: Máy biến áp trong trạm biến áp chịu trách nhiệm giảm điện áp xuống các mức trung thế (22kV, 35kV) hoặc hạ thế (220V, 380V) để phù hợp với các khu vực tiêu thụ.
- Phân phối điện đến người dùng cuối: Điện sau khi được hạ áp uống mức an toàn (220V, 380V) sẽ được phân phối đến các nhóm tiêu dùng như hộ gia đình, nhà máy, khu công nghiệp, sân bay, bến cảng…
Các thành phần chính trong sơ đồ nguyên lý trạm biến áp
Sơ đồ nguyên lý trạm biến áp được hiểu là bản vẽ kỹ thuật thể hiện mối liên kết giữa các thiết bị chính (máy biến áp, máy cắt, dao cách ly, thiết bị chống sét) trong trạm thông qua hệ thống ký hiệu tiêu chuẩn. Với sơ đồ này, các kỹ sư điện có thể nắm bắt được quy trình tiếp nhận, biến đổi điện áp của dòng điện đi từ lưới cao thế xuống các mức điện áp thấp hơn để phục vụ cho hoạt động sinh hoạt, sản xuất.

Trong đó, sơ đồ nguyên lý của trạm biến áp (TBA) được chia thành 3 phần chính tương ứng với 3 giai đoạn trong nguyên lý hoạt động.
Thiết bị cao/ trung thế
Đây là nơi tiếp nhận dòng điện có điện áp cao từ lưới quốc gia.
- Thiết bị chống sét van (LA): Bảo vệ trạm khỏi xung điện áp do sét đánh hoặc sự cố trên lưới.
- Dao cách ly (DS): Tạo khoảng cách an toàn nhìn thấy được để ngắt điện hoàn toàn khi cần sửa chữa, bảo trì trạm.
- Cầu chì tự rơi (FCO): Thiết bị bảo vệ quá tải và ngắn mạch cao thế. Khi sự cố xảy ra, dây chì sẽ tự đứt và ống chì rơi xuống để ngắt mạch.
Ngoài ra còn có máy cắt (CB), biến dòng (CT), biến áp (PT)...
Máy biến áp

Đây là thiết bị quan trọng nhất của trạm biến áp, thực hiện nhiệm vụ biến đổi điện áp thông qua nguyên lý cảm ứng điện từ. Chức năng của máy biến áp cũng chính là chức năng của trạm biến áp.
Thiết bị hạ thế
Đây là nơi nhận điện năng sau khi đã hạ áp để phân phối đến các khu vực tiêu thụ nhất định.
- Máy cắt (ACB/MCCB tổng): Đóng ngắt nguồn điện hạ áp và bảo vệ trước quá tải, ngắn mạch.
- Hệ thống thanh cái: Kết nối mạch điện và phân phối dòng điện đến các nhánh khác nhau.
- Hệ thống đo lường: Đồng hồ Ampe, Volt, công tơ điện để theo dõi các chỉ số điện năng.
- Tủ tụ bù: Có nhiệm vụ nâng cao hệ số công suất để giảm tổn thất điện năng và tránh phí phạt từ Điện lực…
Vai trò của sơ đồ nguyên lý trạm biến áp
Sơ đồ nguyên lý của trạm biến áp đóng vai trò như bản chỉ dẫn trong hệ thống điện, hỗ trợ công tác vận hành của kỹ sư điện, cũng như giảm thiểu tối đa các sự cố cháy nổ có thể xảy ra.
Dưới đây là 4 vai trò nòng cốt của sơ đồ nguyên lý trạm biến áp.
- “Ngôn ngữ chung” của các kỹ sư: Sơ đồ nguyên lý sử dụng các ký hiệu có tính chuẩn hóa cao theo quy định của các tiêu chuẩn quốc tế. Nhìn vào đó, bất kỳ kỹ sư điện chuyên nghiệp nào đều có thể hiểu được đầu vào và đầu ra của máy biến áp, loại máy biến áp và nhóm thiết bị bảo vệ chính.
- “Kim chỉ nam” cho thi công và lắp đặt: Sơ đồ nguyên lý trạm biến áp chính là căn cứ khoa học nhất để xây dựng sơ đồ đấu nối chi tiết và bố trí các thiết bị vật lý, góp phần đơn giản hóa quá trình thi công, lắp đặt và hạn chế các sai sót liên quan đến đấu dây, sắp xếp thiết bị.
- Dễ dàng xử lý sự cố: Dựa vào sơ đồ nguyên lý, các kỹ sư có thể dễ dàng phân vùng sự cố và xác định chính xác vị trí cần ngắt cầu dao cách ly, cũng như thiết bị bảo vệ nào vừa trip để tiến hành sửa chữa hoặc thay thế.
- Cơ sở để phân tích hệ thống: Sơ đồ nguyên lý là nền tảng để hỗ trợ kỹ sư tính toán các thông số phức tạp như dòng ngắn mạch, tỷ lệ sụt áp và điều chỉnh chế độ tải để không làm sập toàn bộ hệ thống.
Cách đọc hiểu sơ đồ nguyên lý trạm biến áp
Quy tắc đơn giản nhất để đọc hiểu sơ đồ nguyên lý trạm biến áp là đọc từ trên xuống dưới và từ trái sang phải.
Xác định hướng đi của dòng điện
Thông thường, sơ đồ nguyên lý trạm biến áp sẽ có dạng đơn tuyến (Dạng 1 sợi - Single Line) cho hệ thống 3 pha để đơn giản hóa bản vẽ. Trong sơ đồ này, dòng điện đi theo trình tự nhất định sau:
Đường dây cao thế → Chống sét van → Cầu chì tự rơi → Máy biến áp → Tủ hạ áp tổng → Các tủ phân phối nhánh.
Như vậy, phía cao áp (đầu vào) luôn nằm ở phía trên cùng của bản vẽ, tương ứng với đường dây dẫn từ lưới quốc gia hoặc lưới trung thế, phân phối vào trạm. Phía hạ áp (đầu ra) nằm ở dưới cùng, dẫn đến các tủ phân phối nhánh và phụ tải. Ở khu vực trung tâm chính là máy biến áp. Dòng điện đi vào máy biến áp và đi ra được gọi là điểm giao thoa giữa 2 cấp điện áp.
Nhận diện các ký hiệu thiết bị chính trong trạm biến áp
| Tên thiết bị | Ký hiệu chữ | Ký hiệu trên bản vẽ |
| Máy biến áp | MBA | ![]() |
| Máy biến áp tự ngẫu | AT | ![]() |
| Máy biến áp tự dùng | TD | |
| Máy biến áp kích từ | TE | |
| Máy cắt | ACB/VCB | ![]() |
| Dao cách ly | DS | ![]() |
| Cầu chì tự rơi | FCO | ![]() |
| Chống sét van | LA | ![]() |
| Thanh cái | C | ![]() |
| Biến dòng | CT/TI | ![]() |
| Biến áp | PT/TU | ![]() |
Ví dụ: Máy biến áp được quy định cách đọc thiết bị như sau:
- T1, T2: Máy biến áp số 1, số 2.
- AT1: Máy biến áp tự ngẫu số 1.
- TD31: Máy biến áp tự dùng số 1, cấp điện áp 35kV.
Sơ đồ nguyên lý trạm biến áp điển hình
Để hiểu rõ hơn về sơ đồ nguyên lý trạm biến áp, bạn có thể theo dõi các sơ đồ nối dây của trạm biến áp phía dưới.
Lưu ý: Sơ đồ nối dây (sơ đồ nhất thứ) chính là hình thức sơ đồ nguyên lý trạm biến áp phổ biến nhất.
Sơ đồ nối dây trạm biến áp trung gian
Loại trạm này chỉ sử dụng một máy biến áp và phía thứ cấp chỉ dùng một thanh cái. Cầu dao cách ly và cầu dao nối đất ở đầu vào máy biến áp thường có khóa liên động để ngăn chặn đóng điện đồng thời. Thiết bị chống sét van được đặt ở phía đầu vào để bảo vệ chống sét.

Nếu có nguồn dự phòng, có thể dùng sơ đồ nối dây này để cấp điện cho phụ tải loại 1 là những phụ tải yêu cầu nguồn điện liên tục như bệnh viện, sân bay, bến cảng, trụ sở các cấp…
Trường hợp phục vụ cho phụ tải loại 1 hoặc nhà máy, xí nghiệp quy mô lớn, trạm biến áp trung gian cần đặt 2 máy biến áp. Trong đó, phía đầu vào đặt máy cắt liên lạc giữa 2 nguồn và thứ cấp máy biến áp dùng thanh cái kép.

Sơ đồ nối dây trạm phân phối
Sơ đồ nối dây của trạm phân phối thường là dạng 1 đường dây cấp điện, dùng cho phụ tải loại 2 và loại 3. Sơ đồ này phù hợp với quy mô và nhu cầu sử dụng điện của các nhà máy, xí nghiệp nhỏ và trung bình. Nếu muốn nâng cao độ tin cậy, chủ đầu tư có thể trang bị thêm 1 đường dây dự phòng.

Đối với phụ tải loại 1 hoặc 2, trạm phân phối sẽ được cấp điện từ 2 nguồn với thanh cái phân đoạn, trên mỗi phân đoạn đều đặt máy biến áp điện đo lường 3 pha 5 trụ.

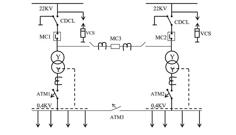
Sơ đồ nối dây trạm 2 máy biến áp

Với các trạm 2 máy biến áp, khi ở chế độ bình thường, máy cắt MC3 và ATM3 sẽ mở.
Trường hợp có sự cố điện:
- Mất 1 nguồn cấp: MC3 đóng lại, các máy biến áp được cấp điện từ nguồn còn lại.
- Sự cố 1 máy biến áp: Máy biến áp còn lại sẽ cấp điện cho các phụ tải quan trọng, phụ tải không quan trọng sẽ được ngắt.
Sơ đồ nối dây của trạm biến áp phân xưởng
Đây là sơ đồ nối dây phổ biến để cung cấp điện cho các phụ tải không quan trọng, công suất trạm ≤ 320kVA. Trong sơ đồ, phía cao áp đặt cầu chì và cầu dao cách ly. Thứ cấp máy biến áp có aptomat hoặc cầu chì. Khi muốn ngắt aptomat ra khỏi mạng điện, bắt buộc phải ngắt aptomat phía thứ cấp trước, sau đó mới ngắt cầu dao cách ly ở phía đầu vào.

Với các trạm có công suất đến 1000kVA, nên thay thế cầu chì bằng máy cắt ở phía đầu vào của máy biến áp.

Câu hỏi thường gặp về sơ đồ nguyên lý trạm biến áp
Câu hỏi 1: Tại cao cầu chì tự rơi được lắp đặt trước máy biến áp mà không phải phía sau?
Trả lời: FCO chịu trách nhiệm bảo vệ máy biến áp trước ngắn mạch từ phía cao thế, trung thế và hỗ trợ người vận hành ngắt điện hoàn toàn khi cần bảo trì máy nên sẽ được lắp đặt phía trước của máy biến áp.
Câu hỏi 2: Thiết bị chống sét van tại sao luôn được đặt ở đầu vào của trạm biến áp?
Trả lời: Chống sét van (LA) bảo vệ trạm khỏi xung điện áp do sét đánh hoặc sự cố trên lưới. Việc đặt thiết bị này ở đầu vào của trạm điện là để triệt tiêu các xung điện áp cao ngay lập tức trước khi kịp chạy vào làm hỏng lớp cách điện của máy biến áp.
Câu hỏi 3: Ký hiệu Dyn-11 trên máy biến áp có nghĩa là gì?
Trả lời: Dyn-11 là tổ đấu dây, trong đó, D (Delta) là phía cao thế đấu tam giác, y (Wye) là phía hạ thế đấu sao, n là có dây trung tính và 11 là góc lệch pha (330 độ). Đây là kiểu đấu dây phổ biến nhất trong các trạm biến áp ở Việt Nam.
Các kiến thức khác liên quan đến trạm biến áp, mời bạn truy cập: https://etinco.vn/tin-tuc/kien-thuc/kien-thuc-tram-bien-ap/








