Tủ điện chiếu sáng được ứng dụng rộng rãi trong hầu hết các công trình công cộng, dân dụng và công nghiệp nhưng không phải ai cũng biết về sơ đồ đấu nối và cách lắp đặt của loại tủ này. Trong bài viết này, chúng tôi sẽ giới thiệu về sơ đồ đấu nối tủ điện chiếu sáng và cách lắp đặt chi tiết.
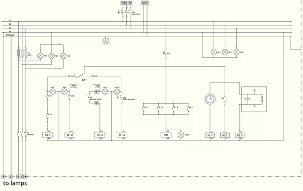
Sơ đồ đấu nối tủ điện chiếu sáng dùng rơ le
Tủ điện chiếu sáng dùng contactor và rơ le là loại tủ thông dụng nhất trong các hệ thống chiếu sáng công cộng hoặc chiếu sáng quy mô lớn để tăng khả năng đóng cắt công suất cao và đảm bảo an toàn trong quá trình vận hành.

Nguyên lý hoạt động của tủ điện này như sau:
- Rơ le thời gian hoặc cảm biến chịu trách nhiệm điều khiển mạch điều khiển. Khi rơ le đóng, cuộn dây có điện và contactor cũng đóng để cấp điện cho mạch chính. Đèn chiếu sáng được bật và duy trì hoạt động liên tục.
- Khi rơ le ngắt, contactor nhả khiến mạch chính bị ngắt, đèn cũng tắt theo.
Ưu điểm của tủ điện chiếu sáng dùng rơ le:
- Tăng tuổi thọ thiết bị nhờ cách ly được mạch điều khiển và mạch tải.
- Có thể điều khiển từ xa hoặc tích hợp tự động hóa dễ dàng.
Sơ đồ đấu nối tủ điện chiếu sáng bằng timer
Đây là lựa chọn ưu tiên cho các ứng dụng yêu cầu tiết kiệm điện hoặc tự động hóa, trong đó timer được sử dụng để lập trình thời gian bật/tắt đèn một cách tự động mà không cần sự can thiệp của con người.

Nguyên lý hoạt động:
- Người vận hành có thể cài đặt thời gian bật tắt đèn chiếu sáng trên timer. Đến thời điểm cài đặt, timer sẽ tác động vào mạch điều khiển cuộn hút contactor.
- Khi contactor đóng, điện được cấp đến hệ thống đèn. Hết thời gian cài đặt, timer ngắt, contactor cũng nhả, đèn lúc này sẽ tắt toàn bộ.
Ứng dụng cụ thể:
Tủ điện chiếu sáng dùng timer có thể điều khiển bật đèn đường khi trời tối và tắt khi trời sáng, hoặc bật biển hiệu quảng cáo vào lúc 18h và tắt khi 22-23h.
Cơ chế điều khiển và chế độ hoạt động của tủ điện chiếu sáng

Cơ chế điều khiển
Tủ điện chiếu sáng có 3 cơ chế điều khiển chính gồm:
- Chế độ trung tâm: Toàn bộ thao tác điều khiển, giám sát được tập trung tại một vị trí duy nhất, giúp người quản lý dễ dàng quản lý, điều chỉnh toàn bộ hệ thống chiếu sáng trong khu vực từ trung tâm.
- Chế độ tự động: Các kịch bản bật/tắt theo thời gian thực, thay đổi cường độ, màu sắc ánh sáng theo chương trình hay điều chỉnh công suất cụm đèn theo quy trình sản xuất đều được lập trình sẵn từ tủ điện, giúp tiết kiệm nhân lực, năng lượng và nâng cao hiệu quả chiếu sáng.
- Chế độ thủ công: Thực tế chế độ này rất ít được sử dụng khi tủ điện hoặc hệ thống chiếu sáng vận hành bình thường. Chế độ thủ công chỉ nên áp dụng trong trường hợp đặc biệt như khi có sự cố hoặc cần kiểm tra, bảo dưỡng hệ thống.
Chế độ hoạt động
Tương tự chế độ điều khiển, tủ điện chiếu sáng cũng có 3 chế độ hoạt động điển hình:
- Chế độ ban ngày: Hệ thống đèn sẽ tắt 100% để tiết kiệm năng lượng.
- Chế độ buổi tối: 100% đèn hoạt động hết công suất để đảm bảo thuận tiện cho việc quan sát, sinh hoạt hoặc làm việc của con người.
- Chế độ đêm khuya: Thường chỉ có từ ⅓ đến ⅔ đèn được bật, song song công suất giảm xuống còn 60% để tiết kiệm điện và đảm bảo an toàn trong trường hợp không có người giám sát.
Các bước lắp đặt tủ điện chiếu sáng đúng kỹ thuật
Quy trình lắp đặt tủ điện chiếu sáng thường gồm 6 bước như sau:
Bước 1: Xác định thông số kỹ thuật
Tủ điện chiếu sáng chứa các thiết bị điều khiển hệ thống chiếu sáng và thiết bị đóng ngắt để bảo vệ mạch điện. Vì vậy, cần xác định rõ đặc điểm, công suất của hệ thống đèn cần điều khiển để từ đó có phương án thiết kế sơ đồ nguyên lý phù hợp, đi kèm là lựa chọn trang thiết bị, linh kiện tương thích.
Bước 2: Vẽ sơ đồ đấu nối tủ điện chiếu sáng

Quá trình thiết kế sơ đồ đấu nối tủ điện chiếu sáng, cần lưu ý một số vấn đề quan trọng:
- Đảm bảo công năng điều khiển phù hợp với nhu cầu sử dụng như: bật tắt theo từng cụm đèn, bật tắt đèn đường theo giờ hoặc điều chỉnh cường độ/ màu sắc các đèn…
- Tối ưu chi phí đầu tư bằng cách lựa chọn kỹ lưỡng thiết bị điện chất lượng và tương thích với nhau.
- Xem xét khả năng mở rộng trong tương lai hoặc khi có nhu cầu thay đổi hệ thống.
- Bố trí thiết bị, đường dây dẫn điện khoa học để thuận tiện cho công tác sửa chữa, bảo trì.
Bước 3: Gia công phần vỏ tủ
Quá trình gia công vỏ tủ điện chiếu sáng cần được thực hiện bằng máy CNC để đảm bảo độ chính xác cao nhất, trong đó cần đặc biệt chú trọng đến các lỗ ở bề mặt trước của tủ để dễ dàng bố trí nút nhấn, đèn báo, đồng hồ hoặc bộ điều khiển…
Bước 4: Sắp xếp thiết bị, linh kiện bên trong tủ
Việc bố trí vị trí của các thiết bị cần phải được thực hiện khoa học và đúng kỹ thuật để hạn chế nhiễu điện từ ảnh hưởng đến hoạt động của các thiết bị khác.

Thiết bị trong tủ điện chiếu sáng nên được phân chia theo từng nhóm cụ thể:
- Nhóm thiết bị điều khiển như rơ le, timer, cảm biến, bộ điều khiển PLC đặt ở góc bên trên.
- Nhóm thiết bị đóng cắt như contactor, aptomat đặt ở hàng bên dưới.
- Aptomat tổng đặt ở vị trí trung tâm để thuận tiện thao tác.
- Cầu đấu bố trí ở phía dưới để dễ dàng đấu dây ra vào.
Bước 5: Đấu dây điện
Quá trình đấu dây điện cho tủ điện chiếu sáng, lưu ý:
- Việc đi dây cần được thực hiện khoa học, thẳng hàng, gọn gàng.
- Đánh số thứ tự hoặc phân màu đầu cosse để dễ dàng kiểm tra.
- Đấu mạch động lực trước, sau đó mới đến mạch điều khiển. 2 loại dây này cần được bố trí vuông góc với nhau.
- Dây mạch động lực và dây tín hiệu cần có vỏ bọc chống nhiễu để cách ly 2 loại.
Bước 6: Vận hành thử và nghiệm thu
Sau khi hoàn tất các bước trên, người lắp đặt cần đối chiếu vị trí thiết bị và các đường dây điện trong tủ điện với sơ đồ đấu nối tủ điện chiếu sáng. Tiếp đó, cần chạy thử tủ điện trong điều kiện có tải và không tải để đảm bảo dự phòng được tất cả các sự cố có thể phát sinh trước khi đưa tủ vào hoạt động ở hiện trường.
Ứng dụng của sơ đồ đấu nối tủ điện chiếu sáng
Sơ đồ đấu nối tủ điện chiếu sáng là yếu tố không thể thiếu trong hệ thống chiếu sáng quy mô lớn. Sau đây là một số ứng dụng cụ thể của sơ đồ này.
Điều khiển chiếu sáng công viên
Trong các ứng dụng chiếu sáng cho công viên, sân vườn, có thể sử dụng tủ điện chiếu sáng timer hoặc cảm biến ánh sáng để tăng tính tự động trong việc bật tắt các loại đèn công cộng. Loại tủ điện này có ưu điểm là sơ đồ đấu nối đơn giản, dễ triển khai theo các nhánh phụ khác nhau và hỗ trợ điều khiển chuyên biệt cho từng khu vực nên phù hợp để lắp đặt tại các không gian công cộng như công viên, vừa quản lý được hệ thống đèn, vừa đảm bảo an toàn cho người dân.

Ví dụ: Với công viên có diện tích khoảng 2000m², có thể lắp đặt tủ điện chiếu sáng 1 pha, điều khiển qua timer 6 giờ cụm đèn LED 30W với số lượng không quá 20 chiếc.
Điều khiển chiếu sáng đường phố và trong khu dân cư
Hệ thống chiếu sáng này có tính phức tạp hơn do quy mô rộng và cần chia tải đều. Do đó, sơ đồ đấu nối tủ điện chiếu sáng cần chia thành nhiều pha để đảm bảo an toàn.
Cấu hình phổ biến:
- Tủ điện loại 3 pha, số lượng pha thiết kế tùy theo quy mô khu vực, số lượng đèn thường lớn hơn 50 chiếc.
- Sử dụng bộ điều khiển timer kết hợp contactor công suất lớn để điều khiển từ xa. Có thể tích hợp thêm cảm biến ánh sáng để tăng tính linh hoạt cho hệ thống ánh sáng đô thị.
- Tủ điện cần trang bị aptomat chống dòng rò và cầu chì để đảm bảo an toàn trước sự cố điện.

Câu hỏi thường gặp về sơ đồ đấu nối tủ điện chiếu sáng
Câu hỏi 1: Tủ điện chiếu sáng làm thế nào để bật tắt tự động đèn đường?
Trả lời: Tủ điện chiếu sáng sử dụng rơ le thời gian, timer hoặc cảm biến ánh sáng để nhận biết thời gian/ ánh sáng, sau đó sẽ gửi tín hiệu điều khiển đến cuộn hút contactor để đóng mở mạch cấp điện cho hệ thống đèn. Như vậy, đèn đường có thể tự động bật tắt theo thời gian đã lập trình.
Câu hỏi 2: Làm thế nào để tủ điện chiếu sáng điều khiển được nhiều nhóm đèn độc lập?
Trả lời: Người vận hành có thể lắp đặt nhiều contactor trong tủ điện chiếu sáng, mỗi contactor phụ trách đóng mở mạch cấp cho một nhóm đèn, từ đó có thể điều khiển các nhóm đèn độc lập theo tín hiệu rơ le hoặc timer riêng biệt.