Mạch biến tần là bộ phận quan trọng nhất bên trong biến tần, chịu trách nhiệm giám sát, điều khiển tốc độ và hiệu suất hoạt động của các thiết bị trong hệ thống. Vậy mạch biến tần gồm những thành phần nào, có nguyên lý hoạt động ra sao? Chúng tôi sẽ thông tin chi tiết đến bạn trong bài viết sau.
Cấu trúc mạch biến tần
Với sự ra đời của linh kiện bán dẫn, công nghệ biến tần ngày càng hiện đại và tinh vi, kéo theo sự thay đổi của mạch biến tần để phù hợp với nhiều ứng dụng công nghiệp và dân dụng.
Tùy vào từng loại biến tần, cấu trúc bên trong có thể khác nhau. Tuy nhiên, một mạch biến tần cơ bản thường bao gồm 4 bộ phận chính là: Mạch chỉnh lưu, tụ điện nắn phẳng, mạch nghịch lưu và mạch điều khiển. Mỗi bộ phận này sẽ đảm nhận nhiệm vụ và chức năng khác nhau trong quá trình chuyển đổi dòng điện và điện áp từ nguồn lưới sang dòng điện và điện áp phù hợp với điều kiện vận hành của động cơ.

Ngoài ra, các đặc tính dạng sóng đầu vào và đầu ra cũng có sự thay đổi khi sử dụng biến tần, cụ thể như sau:
- Dòng điện đầu vào: Dạng sóng giống như tai thỏ, gồm các thành phần có độ dốc cao.
- Dòng điện đầu ra: Dạng sóng là tập hợp các đoạn thẳng hình chữ nhật với các thành phần tần số cao và xung điện áp. Để tạo dạng sóng này, mạch biến tần sẽ phải bật/tắt các linh kiện bán dẫn bên trong.

Tìm hiểu về mạch chỉnh lưu biến tần
Mạch chỉnh lưu trong biến tần có nhiệm vụ chuyển đổi dòng điện xoay chiều AC từ lưới điện sang dòng điện một chiều DC thông qua Diode hoặc Thyristor để phục vụ cho các giai đoạn sau.
Thông thường, Diode trong biến tần chỉ cho phép dòng điện chạy qua theo 1 chiều mà không đi theo hướng sử dụng điện áp ngược lại. Do đó, khi dòng AC đi qua mạch chỉnh lưu, điện áp cũng đưa qua tải theo cùng một hướng. Lúc này, dòng AC được chỉnh lưu thành dòng DC.

Đối với nguồn điện đầu vào là AC 3 pha, bộ nối 6 Diode trong mạch chỉnh lưu được sử dụng để tạo ra dòng DC như biểu đồ sau đây:

Xem thêm: Biến tần DC là gì? Cấu tạo, chức năng và so sánh với biến tần AC
Tìm hiểu về tụ điện nắn phẳng
Nguồn điện DC từ mạch chỉnh lưu có dạng sóng nhấp nhô sẽ được nắn phẳng tại DC bus, nhằm tạo ra một nguồn DC ổn định hơn để cung cấp cho mạch nghịch lưu. Bộ phận này được cấu tạo từ nhiều tụ điện, điện trở mắc nối tiếp và song song. Trong đó, tụ điện có chức năng giữ cho điện áp đầu ra ở mức đồng đều và không bị ảnh hưởng bởi nhiễu từ đầu vào, phù hợp với các tải yêu cầu điện áp đầu ra không biến đổi.

Tụ điện nắn phẳng còn có khả năng tích trữ năng lượng để cung cấp cho bộ nghịch lưu trong trường hợp cần thiết, giúp biến tần hoạt động liên tục và ổn định trong tình huống xảy ra sự cố điện hoặc tải thay đổi.
Tìm hiểu về mạch nghịch lưu biến tần
Mạch này chịu trách nhiệm chuyển đổi ngược lại dòng điện một chiều DC sang điện xoay chiều AC với tần số và điện áp phù hợp cho việc vận hành động cơ, thông qua các linh kiện bán dẫn như IGBT hoặc MOSFET. Trong đó, công nghệ biến tần hiện đại ưu tiên sử dụng IGBT nhờ ưu điểm vượt trội là khả năng đóng cắt nhanh và chịu được dòng điện cao.
Bên cạnh khả năng điều chỉnh điện áp và tần số nguồn ra, mạch chỉnh lưu hỗ trợ biến tần điều khiển tốc độ, mô-men xoắn động cơ.
Cách biến đổi điện áp DC - AC trong mạch nghịch lưu
Phương pháp phổ biến nhất là sử dụng công tắc trong các bộ chuyển mạch để kích hoạt theo một trình tự nhất định nhằm tạo ra dạng sóng đầu ra gần nhất với sóng sin của dòng điện xoay chiều.

Ví dụ theo sơ đồ đấu nối mạch nghịch lưu trên đây (áp dụng cho điện áp AC 1 pha), 4 công tắc S1 đến S4 sẽ được kết nối với nguồn DC. Khi cặp công tắc S1-S4 được bật, dòng điện qua đèn theo hướng A. Khi cặp công tắc S2-S3 được bật, dòng điện qua đèn theo hướng B. Lặp lại chu kỳ định sẵn của các công tắc này, hướng đi của dòng điện sẽ thay đổi, từ đó tạo ra hiệu ứng dòng điện xoay chiều.
Cách thay đổi tần số

Tần số của dòng điện xoay chiều có thể thay đổi bằng cách điều chỉnh thời gian bật/tắt các công tắc S1, S4. Ví dụ, khi công tác S1 và S4 được bật trong 0,5 giây, sau đó bật tiếp công tắc S2 và S5 trong 0,5 giây, một chu kỳ dòng điện xoay chiều tương ứng với tần số 1Hz sẽ được tạo ra. Bằng cách bật tắt công tắc như vậy, bạn có thể thay đổi tần số một cách dễ dàng.
Cách thay đổi điện áp
Tương tự cách thay đổi tần số, điện áp cũng có thể điều chỉnh bằng cách thay đổi tỷ lệ thời gian bật/tắt của các công tắc, từ chu kỳ t0 sang chu kỳ thời gian ngắn hơn.

Theo đó, khi giảm một nửa tỷ lệ thời gian bật của công tắc S1 và S4, điện áp đầu ra sẽ bằng một nửa cường độ điện áp đầu vào. Tương tự, nếu muốn tăng điện áp đầu ra, bạn có thể tăng tỷ lệ thời gian bật. Phương thức này sử dụng kỹ thuật Điều chế độ rộng xung (PWM) phổ biến trong biến tần và một số bộ phận điện tử khác.
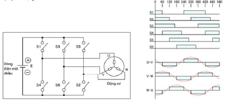
Nghịch lưu với điện áp AC 3 pha

Để nghịch lưu cho điện áp 3 pha, mạch biến tần cần đến 6 công tắc. Bằng cách thay đổi thứ tự của 6 công tắc bật/tắt này, các pha điện áp U-V, V-M, W-U và hướng quay của động cơ cũng thay đổi theo. Một số loại biến tần hiện đại sẽ thay thế các công tắc này bằng linh kiện bán dẫn, phổ biến là IGBT nhằm nâng cao khả năng đóng cắt, từ đó điều chỉnh điện áp và tần số của nguồn điện đầu ra một cách chính xác và linh hoạt.
Tìm hiểu về mạch điều khiển biến tần
Mạch điều khiển đóng vai trò là “bộ não” của biến tần, có chức năng giám sát và điều khiển hoạt động của mạch chỉnh lưu và mạch nghịch lưu dựa trên điện áp, dòng điện đầu vào và yêu cầu cụ thể từ hệ thống.
Mạch điều khiển là tập hợp của một vi điều khiển hoặc bộ xử lý tín hiệu số với các thành phần chính:
- Bộ vi xử lý: Chuyên xử lý thuật toán điều khiển phức tạp để tạo tín hiệu điều khiển cho các mạch chỉnh lưu và nghịch lưu.
- Mạch cảm biến: Có khả năng cảm biến dòng điện, điện áp, nhiệt độ, từ đó cung cấp dữ liệu cho bộ vi xử lý.
- Bộ nhớ: Được dùng để lưu trữ thông số cài đặt và các chương trình điều khiển.
- Mạch giao tiếp: Dùng để kết nối với các thiết bị khác.
- Mạch điều khiển IGBT: Có nhiệm vụ khuếch đại tín hiệu từ bộ vi xử lý để điều khiển van bán dẫn công suất tại bộ nghịch lưu.
Lợi ích khi sử dụng mạch biến tần
Mạch biến tần là bộ phận quan trọng nhất của biến tần, quyết định đến tốc độ xử lý và các hoạt động điều chỉnh, điều khiển của thiết bị. Sử dụng mạch biến tần đem lại nhiều lợi ích như sau:
- Tiết kiệm năng lượng: Mạch điều khiển có khả năng điều chỉnh linh hoạt tốc độ và mô-men xoắn của động cơ, từ đó tiết kiệm được đáng kể điện năng tiêu thụ khi động cơ chỉ chạy ở tốc độ cần thiết.
- Tăng tuổi thọ thiết bị: Mạch biến tần giúp khởi động và dừng động cơ một cách êm ái, trơn tru, giảm áp lực lên các bộ phận cơ khí, qua đó kéo dài tuổi thọ của thiết bị.
- Cải thiện hiệu suất: Nhờ khả năng điều chỉnh tốc độ theo yêu cầu, mạch biến tần phù hợp với từng quy trình, hệ thống cụ thể, giúp tối ưu hiệu suất biến tần và động cơ.
- Bảo vệ hệ thống: Mạch biến tần ngoài điều chỉnh, điều khiển động cơ còn có khả năng bảo vệ hệ thống trước quá áp, quá nhiệt và ngắn mạch, giảm thiểu nguy cơ chập cháy, hỏng hóc thiết bị và hệ thống.
Ứng dụng của mạch biến tần
Mạch biến tần nói riêng và biến tần nói chung được ứng dụng trong nhiều lĩnh vực như:
- Điều khiển động cơ: Ứng dụng phổ biến nhất của biến tần, giúp điều chỉnh tốc độ và mô-men xoắn động cơ, nhờ đó giảm thiểu tình trạng lãng phí năng lượng, đặc biệt phù hợp với các ngành công nghiệp sản xuất giấy, dệt may, xi măng…
- Hệ thống HVAC: Biến tần giúp kiểm soát áp suất và lưu lượng theo nhu cầu thực tế của hệ thống, tránh hao phí điện năng nên được ứng dụng phổ biến trong hệ thống điều hòa không khí, bơm nước, quạt gió…
- Thang máy, băng chuyền: Biến tần đóng vai trò quan trọng trong các hệ thống truyền động, giúp khởi động và dừng băng tải, thang máy… một cách trơn tru, êm ái.
Xem thêm: Hướng dẫn cách đấu nối biến tần 3 pha và những lưu ý khi lắp đặt
Một số câu hỏi về mạch biến tần
Câu hỏi 1: Chức năng của mạch nghịch lưu là gì?
Trả lời: Mạch nghịch lưu có nhiệm vụ biến đổi điện áp một chiều DC thành điện áp xoay chiều AC có tần số và biên độ phù hợp với điều kiện vận hành của động cơ điện.
Câu hỏi 2: Linh kiện bán dẫn trong khối nghịch lưu thường là loại nào?
Trả lời: Linh kiện bán dẫn phổ biến nhất hiện nay thường là IGBT với ưu điểm đóng cắt nhanh và chịu được dòng điện lớn.
Câu hỏi 3: Trong mạch nghịch lưu, kỹ thuật điều chế độ rộng xung (PWM) được áp dụng thế nào?
Trả lời: PWM có khả năng điều chỉnh thời gian đóng/ngắt của IGBT trong mạch nghịch lưu nhằm tạo ra chuỗi xung điện áp có độ rộng khác nhau, từ đó nghịch lưu sóng đầu ra AC có dạng gần giống nhất với sóng sin, phù hợp cấp cho động cơ.
Các kiến thức khác về biến tần, bạn có thể tìm hiểu tại: https://etinco.vn/tin-tuc/kien-thuc/kien-thuc-bien-tan/