Rơ le nhiệt đóng vai trò quan trọng trong hệ thống điện công nghiệp. Tuy nhiên, để thiết bị hoạt động hiệu quả, ổn định, cách đấu rơ le nhiệt cần được thực hiện đúng cách và tuân thủ các tiêu chuẩn kỹ thuật. Cùng tìm hiểu về cách đấu rơ le nhiệt 3 pha và 1 pha chuẩn thợ trong bài viết phía dưới.
Sơ đồ nguyên lý rơ le nhiệt
Thị trường hiện nay có nhiều dạng rơ le nhiệt khác nhau, tuy nhiên cấu tạo rơ le nhiệt điển hình gồm các thành phần sau:
- Đòn bẩy
- Tiếp điểm mở (NO)/ tiếp điểm đóng (NC)
- Thanh lưỡng kim
- Vít chỉnh dòng điện tác động
- Cần gạt
- Dây đốt nóng
- Nút phục hồi (reset)

Nguyên lý hoạt động của rơ le nhiệt dựa trên hiện tượng giãn nở nhiệt của kim loại, cụ thể là sự khác biệt về hệ số giãn nở giữa hai lớp kim loại trong thanh lưỡng kim.
Khi có dòng quá tải chạy qua rơ le nhiệt sẽ sinh nhiệt lượng cao làm thanh lưỡng kim nóng lên và bắt đầu giãn nở. Do hai lớp kim loại có mức giãn nở khác nhau, lớp có hệ số giãn nở lớn sẽ giãn nhiều hơn, khiến thanh bị uốn cong về phía lớp kim loại giãn ít hơn đến mức đủ để tác động vào cơ cấu nhả, từ đó kích hoạt hệ thống ngắt mạch.
- Tiếp điểm thường đóng (NC) sẽ mở ra, ngắt mạch điều khiển.
- Tiếp điểm thường mở (NO) sẽ đóng lại, cho phép kích hoạt các thiết bị cảnh báo như đèn báo hoặc còi.

Toàn bộ quá trình này không diễn ra ngay lập tức mà có một độ trễ nhất định, nhằm tránh rơ le tác động khi chỉ có quá tải tạm thời (ví dụ như khi khởi động động cơ). Nhờ đó, hệ thống hoạt động ổn định hơn và tránh ngắt mạch không cần thiết.
Cách đấu rơ le nhiệt 3 pha
Thông thường, rơ le nhiệt 3 pha được sử dụng trong các thiết bị điện 3 pha 380V với công suất lớn tới vài nghìn kW. Thiết bị này được dùng phổ biến ở các thiết bị điện công nghiệp, có khả năng phát hiện các điểm sinh nhiệt cao và ngắt mạch.

Có 2 nguyên lý cần phải tuân thủ khi đấu lắp rơ le nhiệt 3 pha là nguyên lý điện áp và nguyên lý dòng.
Cách lắp rơ le nhiệt theo nguyên lý điện áp

Trong đó:
- Ký hiệu M là tải
- Ký hiệu EOCR là rơ le nhiệt bảo vệ mất pha
- Ký hiệu Tr là biến áp 380V xuống 220V, nếu có nguồn 220V không cần thiết bị này
- Ký hiệu MC bên trái là 3 tiếp điểm động lực của khởi động từ
- MC bên phải là tiếp điểm A1 – A2 của cuộn hút (cuộn coil) trong khởi động từ
- Sử dụng hai tiếp điểm thường hở NO (98, 95)
- Cấp A1 – A2 là nguồn nối rơ le mất pha
Trong 3 cực sẽ dùng 2 dây động lực đi qua 2 biến dòng của rơ le nhiệt.
Tham khảo các dòng sản phẩm rơ le nhiệt LS đang được Etinco phân phối chính hãng.
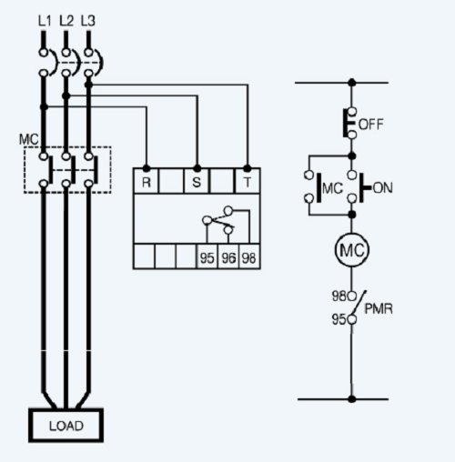
Cách lắp rơ le nhiệt theo nguyên lý dòng điện

Trong đó:
- Ký hiệu MC bên trái là 3 tiếp điểm động lực của khởi động từ
- Ký hiệu MC bên phải là tiếp điểm A1 – A2 của cuộn hút (cuộn coil) trong khởi động từ
- Vị trí cực R, S, T được đấu vào 3 pha
- Load là tải (thiết bị sử dụng)
Tiếp điểm 95 và 98 là hai tiếp điểm thường đóng NC. Khi rơ le nhiệt mất pha thì hai tiếp điểm này chuyển thành thường hở NO để ngắt cuộn hút của khởi động từ, đồng thời làm ngắt ba tiếp điểm thường hở NO của khởi động từ để ngắt tải tránh hư hại.
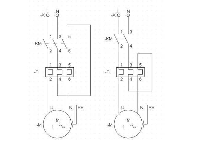
Cách đấu rơ le nhiệt 1 pha
Rơ le nhiệt 1 pha được lắp cho hệ thống điện 1 pha 220V, có tác dụng bảo vệ quá nhiệt cho hệ thống và các thiết bị dân dụng công suất thấp. Tuy nhiên, thực tế lại không có rơ le nhiệt 1 pha mà chỉ có cách đấu rơ le nhiệt 3 pha thành 1 pha khi chỉ 2 cực đấu. Cách đấu lắp rơ le nhiệt 1 pha, bạn tham khảo sơ đồ sau:

Lưu ý khi đấu lắp rơ le nhiệt
Để đảm bảo an toàn và hiệu quả sử dụng khi đấu lắp các loại rơ le nhiệt, bạn cần lưu ý:
- Chọn rơ le nhiệt phù hợp: dựa vào công suất và dòng định mức của động cơ, chọn rơ le nhiệt có thông số phù hợp để tránh quá tải hoặc nhảy rơ le.
- Đấu nối chắc chắn: đảm bảo các mối nối không bị lỏng lẻo, tránh hiện tượng đánh tia lửa hoặc quá nhiệt.
- Tuân thủ sơ đồ mạch: luôn tuân thủ sơ đồ mạch và hướng dẫn của nhà sản xuất
- Kiểm tra định kỳ: Thực hiện kiểm tra và bảo trì định kỳ để đảm bảo rơ le nhiệt hoạt động ổn định, hiệu quả.
Etinco vừa hướng dẫn cách đấu lắp rơ le 3 pha và 1 pha chuẩn thợ. Với thông tin hữu ích này, bạn có thể áp dụng sơ đồ đấu lắp rơ le nhiệt cho hệ thống điện của mình. Để tìm hiểu thêm kiến thức về rơ le nhiệt và các thiết bị khác, tham khảo: https://etinco.vn/tin-tuc/kien-thuc/kien-thuc-contactor-ro-le/