Bộ điều khiển ATS BTB Electric ATbS C55 điều khiển chuyển mạch A - OFF - B; A - B linh hoạt, cơ chế hiển thị màn hình hiện đại, các chế độ điều khiển tự động - thủ công. Sản phẩm có thể dùng để điều khiển 2 ACB hoặc 2 contactor có chức năng bảo vệ điện áp, tần số, mất pha.
Kích thước Bộ điều khiển ATS BTB Electric ATbS C55:

Hướng dẫn sử dụng Bộ điều khiển BTB Electric ATbS C55:

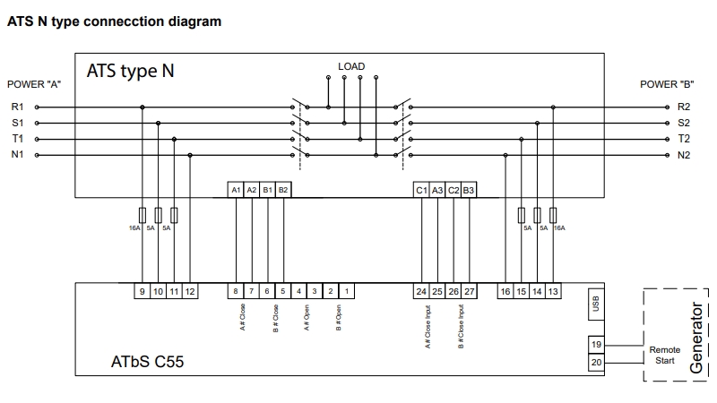
Hướng dẫn kết nối Bộ điều khiển BTB Electric ATbS C55:



| Mã sản phẩm | Phân loại | Số cực | Dòng điện |
|---|---|---|---|
| BA20HPC4M | PC Type | 4P | 2000A |
| BA20HPC3M | PC Type | 3P | 2000A |
| BA16HPC4M | PC Type | 4P | 1600A |
| BA16HPC3M | PC Type | 3P | 1600A |
| BA12HPC4M | PC Type | 4P | 1250A |
| BA10HPC4M | PC Type | 4P | 1000A |
| BA12HPC3M | PC Type | 3P | 1250A |
| BA800PC4M | PC Type | 4P | 800A |
| BA10HPC3M | PC Type | 3P | 1000A |
| BA800PC3M | PC Type | 3P | 800A |
| BA630TY4M | TY Type | 4P | 630A |
| BA400TY4M | TY Type | 4P | 400A |
| BA630TN4M | TN Type | 4P | 630A |
| BA630NN4M | NN Type | 4P | 630A |
| BA400TN4M | TN Type | 4P | 400A |
| BA400NN4M | NN Type | 4P | 400A |
| BA630TY3M | TY Type | 3P | 630A |
| BA400TY3M | TY Type | 3P | 400A |
| BA630TN3M | TN Type | 3P | 630A |
| BA630NN3M | NN Type | 3P | 630A |
| BA400TN3M | TN Type | 3P | 400A |
| BA400NN3M | NN Type | 3P | 400A |
| BA250TY4M | TY Type | 4P | 250A |
| BA250TY3M | TY Type | 3P | 250A |
| BA250TN4M | TN Type | 4P | 250A |
| BA250NN4M | NN Type | 4P | 250A |
| BA100TY4M | TY Type | 4P | 100A |
| BA250TN3M | TN Type | 3P | 250A |
| BA100TN4M | TN Type | 4P | 100A |
| BA100TY3M | TY Type | 3P | 100A |
| BA250NN3M | NN Type | 3P | 250A |
| BA100NN4M | NN Type | 4P | 100A |
| BA100TN3M | TN Type | 3P | 100A |
| BA100NN3M | NN Type | 3P | 100A |
| BA100TN2M | TN Type | 2P | 100A |
| BA100NN2M | NN Type | 2P | 100A |
| ATbS C56 | |||
| Hanpro-1000 | |||
| BA063HY4M | HY Type | 4P | 63A |
| BA063HY2M | HY Type | 2P | 63A |
| BA630NY4M | NY Type | 4P | 630A |
| BA630NY3M | NY Type | 3P | 630A |
| BA400NY4M | NY Type | 4P | 400A |
| BA400NY3M | NY Type | 3P | 400A |
| BA250NY4M | NY Type | 4P | 250A |
| BA250NY3M | NY Type | 3P | 250A |
| BA100NY4M | NY Type | 4P | 100A |
| BA100NY3M | NY Type | 3P | 100A |
| BA100TY2M | TY Type | 2P | 100A |
| BA100NY2M | NY Type | 2P | 100A |