Bộ chuyển nguồn ATS Kyungdong KD06-F301A 3P 100A xuất xứ Hàn Quốc, được sử dụng để chuyển nguồn trong mạch điện 3 pha với điện áp AC 660V hoặc DC 125V, chu kì ON - ON. Sản phẩm được Etinco phân phối chính hãng, đầy đủ CO, CQ và bảo hành 24 tháng.
Kích thước ATS Kyungdong KD06-F301A (mm):

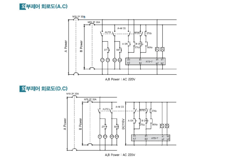
Sơ đồ mạch hoạt động và mạch điều khiển ATS Kyungdong KD06-F301A (đấu dây trước):

