Tụ bù 3 pha chuyên dụng cho mạng lưới điện 3 pha, đã và đang tiết kiệm lượng lớn chi phí điện năng cho các hệ thống công nghiệp. Cùng Etinco tìm hiểu về cấu tạo, nguyên lý và cách lắp đặt tụ bù 3 pha qua bài viết sau.
Cấu tạo tụ bù 3 pha
Tụ bù hạ thế 3 pha thuộc dòng tụ bù hạ thế công nghiệp, được cấu tạo từ 3 bộ phận chính, gồm:
- Thân vỏ: có dạng hình trụ với 2 lớp là vỏ nhựa bên ngoài và vỏ aluminum bên trong.
- Tụ điện: là tụ điện film polypropylene hoặc tụ điện khô. Bên trong tụ điện là 3 bản cực lá nhôm có lớp cách điện xen giữa. 3 đầu bản cực nhô lên trên làm cực đấu với nguồn điện.
- Ngấn phòng nổ: vòng siết ngắt điện tự động khi quá tải, tránh cháy nổ tụ.

Nguyên lý làm việc của tụ 3 pha
Về nguyên lý làm việc, tụ bù 3 pha được điều khiển bằng một bộ điều khiển tụ bù tự động thông qua một số thiết bị đóng cắt như contactor. Tụ điện 3 pha hoạt động dựa trên việc bù công suất phản kháng. Hệ thống sử dụng các phụ tải mang tính cảm sẽ khiến dòng điện chậm pha so với điện áp, khiến hệ số công suất cosφ thấp. Nhiệm vụ của tụ là bổ sung lượng công suất phản kháng cho hệ thống để nâng cao cosφ.
Công dụng của tụ bù 3 pha
Tụ bù 3 pha có ưu điểm nổi bật là khả năng tự động tính toán lượng công suất cần bù. Nhờ vậy, hệ số công suất luôn đảm bảo trong mức cosφ là 0.95, đạt tiêu chuẩn cho phép. Khi sử dụng cho hệ thống điện sản xuất, loại tụ bù này có tác dụng:
- Giảm hóa đơn điện: Tụ 3 pha bổ sung công suất phản kháng giúp tiết kiệm được chi phí điện hàng tháng do hao tổn trên đường dây dẫn
- Nâng cao hệ số cosφ, phù hợp với quy định của bên điện lực, tránh việc phải nộp phạt hàng tháng do hệ số cosφ thấp
- Tăng khả năng cung cấp điện của hệ thống, đặc biệt là trong các trường hợp hệ thống bị quá tải
- Giảm tải cho máy biến áp và đường dây dẫn, giúp kéo dài tuổi thọ sử dụng và giảm chi phí bảo trì
- Hạn chế sụt áp, hạn chế sai lỗi trên các thiết bị điện
- Cải thiện hình dạng sóng điện áp, giảm thiểu nhiễu điện, bảo vệ các thiết bị điện nhạy cảm
- Giảm tải cho các thiết bị điện, từ đó tăng tuổi thọ sử dụng và giảm chi phí sửa chữa.
Hướng dẫn lắp đặt tụ bù 3 pha vào tủ điện

Cách đấu theo phương pháp bù tĩnh
Lượng bù công suất phản kháng của tụ bù tĩnh là không đổi, do đó người dùng có thể điều khiển tụ bù bằng tay, bán tự động hoặc đấu trực tiếp vào tải.
Phương pháp này có ưu điểm là thao tác dễ dàng, chi phí thấp nên được nhiều người lựa chọn. Tuy nhiên, khi tải bị dao động, bù tĩnh rất dễ xảy ra tình trạng bù thừa, có thể gây nguy hiểm đối với hệ thống sử dụng máy phát. Vì thế bù tĩnh chỉ nên được áp dụng đối với tải ít thay đổi.
Cách lắp đặt:
- Bước 1: Sử dụng dây điện phù hợp với công suất của tụ để nối aptomat vào nguồn điện.
- Bước 2: Nối tụ vào aptomat. Chú ý đấu đúng cực: Cực dương của tụ nối với dây nóng (L), cực âm của tụ nối với dây trung tính (N).
- Bước 3: Cố định tụ bù.
- Bước 4: Kiểm tra và vận hành. Bật aptomat và kiểm tra áp tại các mối nối. Quan sát hoạt động của tụ, đảm bảo không có tiếng ồn hoặc hoạt động bất thường.
Cách đấu theo phương pháp bù động
Bù động là phương pháp bù công suất phản kháng bằng cách sử dụng bộ điều khiển tụ bù tự động. Bộ điều khiển này có khả năng điều chỉnh dung lượng tụ bù theo thời gian thực, giúp đảm bảo hệ số công suất luôn đạt đến giá trị mong muốn.
Ưu điểm của bù động là không gây ra hiện tượng bù thừa, đảm bảo hệ số công suất luôn ổn định. Tuy nhiên, bù động thường có chi phí cao hơn so với bù tĩnh, do đó cần cân nhắc và tính toán dung lượng tụ bù kỹ lưỡng trước khi lựa chọn.
Cách lắp đặt:
- Bước 1: Cố định tụ bằng giá đỡ hoặc thanh ray chắc chắn.
- Bước 2: Nối dây điện từ nguồn điện vào tụ theo sơ đồ hướng dẫn của nhà sản xuất. Chú ý đấu đúng cực: cực dương của nguồn điện nối với dây nóng (L) của tụ, cực âm của nguồn điện nối với dây trung tính (N) của tụ.
- Bước 3: Lắp đặt aptomat vào tủ để bảo vệ thiết bị khỏi quá tải hoặc ngắn mạch. Chọn aptomat phù hợp với công suất của tụ.
- Bước 4: Kết nối tụ với hệ thống điều khiển để điều chỉnh dung lượng bù theo nhu cầu thực tế.
- Bước 5: Kiểm tra và vận hành. Bật aptomat và kiểm tra các điểm nối. Quan sát hoạt động của tụ, điều chỉnh aptomat và hệ thống điều khiển nếu cần thiết.
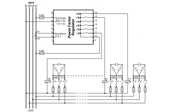
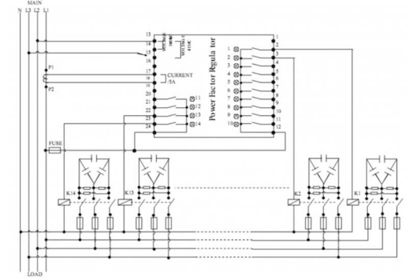
Tham khảo 2 sơ đồ lắp đặt tụ bù 3 pha dưới đây:
- Trường hợp tín hiệu dòng điện và điện áp cấp cho rơ le cùng 1 pha

- Trường hợp tín hiệu dòng điện lấy trên 1 pha dây và tín hiệu điện áp dây cấp cho rơ le lấy trên 2 pha còn lại

Lưu ý khi đấu tụ bù 3 pha
- Tín hiệu dòng điện và điện áp cấp cho rơ le phải chính xác để rơ le có thể đo được giá trị cosφ chính xác. Cần chú ý tới sơ đồ đấu nối được quy định trước đó với rơ le.
- Vệ sinh tụ bù thường xuyên để đảm bảo hiệu suất hoạt động. Nếu tụ bù bị hỏng hóc cần được thay thế ngay để tránh trường hợp tụ bù bị cháy, nổ dẫn đến hỏng công tắc tụ bù.
- Biến dòng có tỉ số biến phù hợp sẽ giúp rơ le nhận biết được dòng điện chính xác để người dùng điều khiển.
Etinco là đại lý cung cấp các loại tụ bù 3 pha từ các thương hiệu nổi tiếng như: Nuintek, Samwha, Mikro, BTB Electric,... Chúng tôi không chỉ phân phối hàng chính hãng với chất lượng tốt, giá thành cạnh tranh mà còn cam kết chính sách ưu đãi hấp dẫn nhất thị trường hiện nay:
- Bảo hành từ 1 – 2 năm tùy theo dòng sản phẩm.
- Chính sách 1 đổi 1 trong thời gian bảo hành.
- Giao hàng nhanh chóng và miễn phí vận chuyển.
Tham khảo một số dòng sản phẩm tụ bù 3 pha chính hãng được Etinco phân phối: