Aptomat là thiết bị không thể thiếu trong mọi hệ thống điện, đóng vai trò bảo vệ và giảm thiểu rủi ro liên quan đến sự cố điện. Tuy nhiên, để lựa chọn và sử dụng aptomat một cách chính xác và hiệu quả, việc hiểu rõ các ký hiệu và thông số trên thiết bị này là điều vô cùng quan trọng. Trong bài viết này, Etinco sẽ cùng bạn giải mã chi tiết những ký hiệu và thông số quan trọng trên aptomat.
Các thông số kĩ thuật trên aptomat
Dưới đây là các ký hiệu thông số trên aptomat được sử dụng phổ biến hiện nay:
- Ue: Điện áp định mức của aptomat, được đo bằng Volt (V).
- Ui: Điện áp cực đại mà aptomat có thể chịu được, cũng tính bằng Volt (V).
- Uimp: Điện áp chịu được tối đa trong môi trường ô nhiễm, đơn vị là Volt (V).
- In: Dòng điện định mức của aptomat, đơn vị đo lường là Ampe (A).
- Icu: Khả năng ngắt mạch khi dòng điện ngắn mạch đạt mức cực đại trong điều kiện bình thường, tính bằng Ampe (A).
- Ics: Dòng điện ngắn mạch cực đại mà aptomat có thể chịu đựng, đơn vị Ampe (A)
- Icw: Khả năng chịu đựng dòng ngắn mạch trong điều kiện nhiệt độ cao, tính theo Ampe (A)
- C16, C32, C40,..: Đại diện cho cường độ dòng điện của aptomat. Từng mức dòng điện định mức (In) sẽ tương ứng với các mã C cụ thể.
- Ký hiệu A, B, C, D, E, Z…: Thể hiện phân loại aptomat dựa vào khả năng ngắt mạch.
- AR (Ampe Rating): Thể hiện dòng điện định mức mà aptomat có thể chịu đựng, đơn vị là Ampe (A).
- CL (Current Limiting Class): Đại điện cho lớp giới hạn dòng điện của aptomat, giúp giảm thiểu tác động của dòng điện ngắn mạch.
- Rated Frequency: Thể hiện tần số điện áp định mức của aptomat, tính bằng Hertz (Hz).
- Type: Phân loại aptomat theo dòng điện định mức và tính năng ngắt mạch.
- Isolation Function: Chỉ chức năng cách ly của aptomat, đảm bảo an toàn khi sửa chữa hệ thống điện.
- Endurance: Biểu thị độ bền của aptomat, tức số lần bật/tắt mà thiết bị có thể hoạt động hiệu quả.
Các chuẩn ký hiệu phổ biến của aptomat
Aptomat là thiết bị không thể thiếu trong việc bảo vệ hệ thống điện khỏi các sự cố. Việc đọc hiểu các ký hiệu trên aptomat giúp người dùng dễ dàng lựa chọn thiết bị phù hợp với hệ thống điện, đồng thời hỗ trợ quá trình kiểm tra và bảo trì hiệu quả, đảm bảo các thiết bị được hoạt động hiệu quả. Để đảm bảo các sản phẩm đều được kiểm chứng, có 2 chuẩn ký hiệu aptomat là chuẩn IEC và chuẩn ANSI.
Chuẩn kí hiệu IEC
|
Ký hiệu về khả năng ngắt mạch:
Ký hiệu về dòng điện:
Ký hiệu về loại aptomat:
|
![]() |
Chuẩn kí hiệu ANSI
|
Ký hiệu về khả năng ngắt mạch:
Ký hiệu về dòng điện:
Ký hiệu về loại aptomat:
|
![]() |
Xem chi tiết ký hiệu và thông số của các dòng CB thông dụng:
Phân biệt ký hiệu aptomat trong bản vẽ mạch điện
Để đấu lắp aptomat nhanh chóng và chính xác, việc thiết kế bản vẽ mạch điện trước khi thực hiện là bước quan trọng mà các kỹ sư thường làm. Tùy thuộc vào loại aptomat, các ký hiệu trên bản vẽ sẽ có sự khác biệt. Cụ thể như:
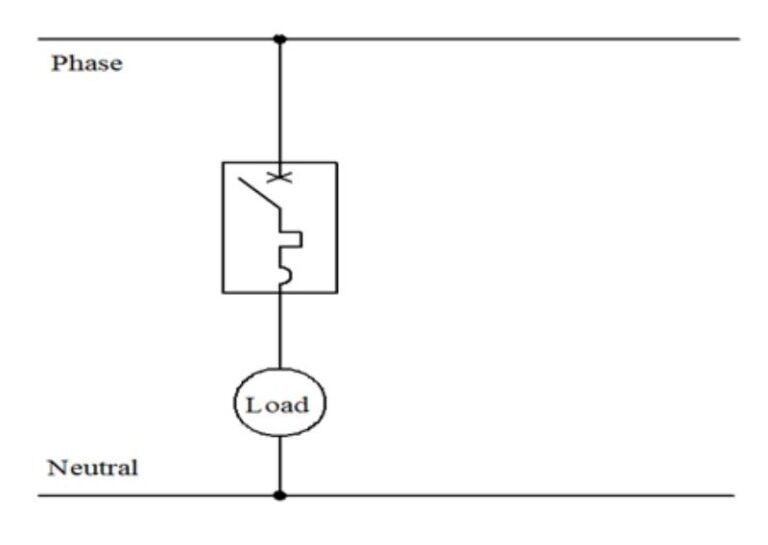
- Ký hiệu aptomat 1 pha:

- Ký hiệu aptomat 2 pha:

- Ký hiệu aptomat 3 pha:

- Ký hiệu aptomat chống giật:

Phân biệt ký hiệu màu sắc trên aptomat
Trên aptomat, các ký hiệu màu sắc không chỉ giúp nhận biết trạng thái của thiết bị mà còn biểu thị chức năng quan trọng trong hệ thống điện. Ba màu thường gặp nhất là xanh, đỏ và trắng. Mỗi màu mang ý nghĩa riêng:
- Màu xanh: biểu thị trạng thái “bật” hoặc “mở”, cho phép dòng điện đi qua aptomat giúp hệ thống điện hoạt động bình thường.
- Màu đỏ: đại diện cho trạng thái “tắt” hay “đóng”, ngăn chặn dòng điện đi qua, bảo vệ hệ thống khi xảy ra sự cố.
- Màu trắng: thường được sử dụng để biểu thị dòng điện định mức của aptomat, giúp người dùng dễ dàng nhận biết thông số kĩ thuật của thiết bị.
Trên đây là những ký hiệu và thông số aptomat phổ biến nhất. Hy vọng bài viết tổng hợp trên đã giúp bạn nhận biết được các ký hiệu aptomat và đọc chúng một cách dễ dàng hơn. Hãy theo dõi Etinco để nhận thêm nhiều thông tin hữu dụng qua các bài viết khác!.

