Để biến tần hoạt động hiệu quả, ngoài việc lựa chọn biến tần phù hợp, cách điều khiển biến tần cũng rất quan trọng. Cùng tìm hiểu 6 phương pháp điều khiển biến tần qua bài viết dưới đây.
Phương pháp 1: Điều khiển biến tần bằng bàn phím
Phương pháp này có thể điều khiển biến tần chạy/dừng và thay đổi tốc độ.

| Nút nhấn | Tên | Chức năng |
![]() |
Phím chương trình | Truy cập các nhóm thông số cài đặt hoặc quay lại menu trước đó |
![]() |
Phím Enter | Nhập hoặc thay đổi thông số cài đặt. Xác nhận cài đặt thông số được hiển thị |
![]() |
Phím Up | Tăng giá trị thông số cài đặt. Khi biến tần AC ở chế độ RUN sẽ tăng tốc độ |
![]() |
Phím Down | Giảm giá trị thông số cài đặt. Khi biến tần AC ở chế độ RUN sẽ giảm tốc độ. |
![]() |
Phím Shift | Chuyển thông số hiển thị hoặc truy cập nhanh đến nhóm thông số cần cài đặt |
![]() |
Phím RUN | Khởi động biến tần bằng bàn phím. Lưu ý: Phím này không hoạt động khi sử dụng thiết bị đầu cuối hoặc chế độ điều khiển giao tiếp |
![]() |
Phím STOP/RESET | Dừng biến tần bằng bàn phím. Lưu ý: Các chức năng của phím này có thể bị hạn chế bằng cách sử dụng chức năng P07.02 |
![]() |
Phím JOG | Chức năng xác định thông qua thông số P07.02 |
Các thông số cài đặt
| Thông số | Giá trị | Đơn vị | Chức năng |
| P00.00 | 2 | Chế độ chạy V/F | |
| P00.01 | 0 | P00.01 = 0 chức năng biến tần chạy/dừng thông qua bàn phím
P00.01 = 1 chức năng biến tần chạy/dừng thông qua terminal |
|
| P00.03 | 50.00 | Hz | Tần số Max |
| P00.04 | 50.00 | Hz | Tần số ngưỡng trên |
| P00.05 | 00.00 | Hz | Tần số ngưỡng dưới |
| P00.06 | 0 | P00.06 = 0 điều chỉnh tần số thông qua phím tăng/giảm
P00.06 = 1 điều chỉnh tần số thông qua nút volume trên biến tần |
|
| P00.11 | … | Giây | Thời gian tăng tốc |
| P00.12 | … | Giây | Thời gian tăng tốc |
| P04.01 | 2.0 | % | Bù moment khởi động |
| P04.09 | 0.0 | % | Tắt bù trượt |
| P05.01 | 1 | Chức năng S1 chạy thuận nếu P00.01 = 1 | |
| P05.02 | 2 | Chức năng S2 chạy nghịch nếu P00.01 = 1 | |
| P02.01 | … | kW | Công suất định mức động cơ |
| P02.02 | … | Hz | Tần số định mức động cơ |
| P02.03 | … | Rpm | Tốc độ định mức động cơ |
| P02.04 | … | V | Điện áp định mức động cơ |
| P02.05 | … | A | Dòng điện định mức động cơ |
Phương pháp 2: Điều khiển biến tần bằng phím bấm
Chức năng này cho phép người dùng có thể dùng nút bấm bên ngoài để tăng giảm tần số biến tần, phù hợp với các ứng dụng cần tăng giảm tần số ở nhiều điểm khác nhau và xa nhau.
Sơ đồ đấu nối biến tần (áp dụng cho biến tần Inovance)

Thông số cài đặt
| Thông số | Giá trị | Đơn vị | Chức năng |
| P00.01 | 2 | Chế độ chạy V/F | |
| P00.02 | 0 | P00.02 = 1 chức năng biến tần chạy/dừng thông qua terminal | |
| P00.10 | 50 | Hz | Tần số Max |
| P0.13 | 50 | Hz | Tần số ngưỡng trên |
| P00.14 | 0 | Hz | Tần số ngưỡng dưới |
| P00.03 | 0 | P00.03 = 0 không nhớ tần số khi tắt điện
P00.03 = 1 nhớ tần số khi tắt điện |
|
| P00.17 | … | Giây | Thời gian tăng tốc |
| P00.18 | … | Giây | Thời gian giảm tốc |
| P04.00 | 1 | Chức năng DI1 chạy thuận | |
| P04.01 | 2 | Chức năng DI2 chạy nghịch | |
| P04.02 | 6 | Chức năng DI3 là nút ấn tăng tần số | |
| P04.03 | 7 | Chức năng DI4 là nút ấn giảm tần số | |
| P01.01 | … | kW | Công suất định mức động cơ |
| P01.02 | … | V | Điện áp định mức động cơ |
| P01.03 | … | A | Dòng điện định mức động cơ |
| P01.04 | … | Hz | Tần số định mức động cơ |
| P1.05 | … | Rpm | Tốc độ định mức động cơ |
Đọc thêm: Mạch biến tần là gì? Cấu tạo và nguyên lý hoạt động
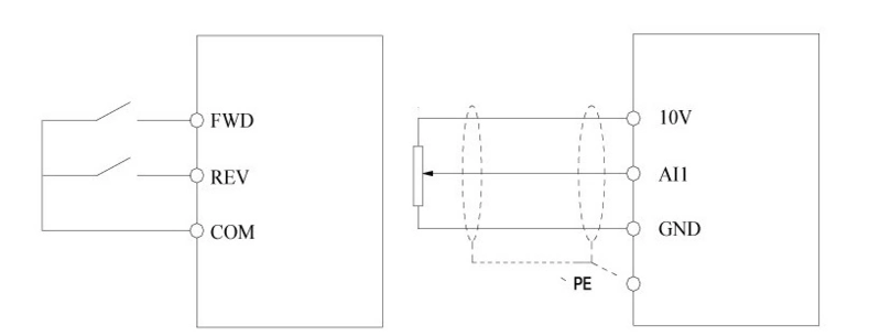
Phương pháp 3: Điều khiển biến tần bằng chiết áp
Sơ đồ đấu nối biến tần

Thông số cài đặt
| Thông số | Giá trị | Đơn vị | Chức năng |
| P00.01 | 2 | Chế độ chạy V/F | |
| P00.02 | 0 | P00.02 = 1 chức năng biến tần chạy/dừng thông qua terminal | |
| P00.10 | 50 | Hz | Tần số Max |
| P00.13 | 50 | Hz | Tần số ngưỡng trên |
| P00.14 | 0 | Hz | Tần số ngưỡng dưới |
| P00.03 | 2 | Cài đặt biến tần thay đổi tần số bằng biến trở ngoài | |
| P00.17 | … | Giây | Thời gian tăng tốc |
| P00.18 | … | Giây | Thời gian giảm tốc |
| P04.00 | 1 | Chức năng DI1 chạy thuận | |
| P04.01 | 2 | Chức năng DI2 chạy nghịch | |
| P01.01 | … | kW | Công suất định mức động cơ |
| P01.02 | … | V | Điện áp định mức động cơ |
| P01.03 | … | A | Dòng điện định mức động cơ |
| P01.04 | … | Hz | Tần số định mức động cơ |
| P01.05 | … | Rpm | Tốc độ định mức động cơ |
Phương pháp 4: Điều khiển biến tần chạy đa cấp tốc độ
Bảng tín hiệu điều khiển đa cấp tốc độ
| Tín hiệu/
Cấp tốc độ |
Terminal Speed 1
(chức năng 16) |
Terminal speed 2
(chức năng 17) |
Terminal speed 3
(chức năng 18) |
Terminal speed 4
(Chức năng 19) |
Thông số đặt tốc độ (%) |
| 0 | OFF | OFF | OFF | OFF | P10.02 |
| 1 | ON | OFF | OFF | OFF | P10.04 |
| 2 | OFF | ON | OFF | OFF | P10.06 |
| 3 | ON | ON | OFF | OFF | P10.08 |
| 4 | OFF | OFF | ON | OFF | P10.10 |
| 5 | ON | OFF | ON | OFF | P10.12 |
| 6 | OFF | ON | ON | OFF | P10.14 |
| 7 | ON | ON | ON | OFF | P10.16 |
| 8 | OFF | OFF | OFF | ON | P10.18 |
| 9 | ON | OFF | OFF | ON | P10.20 |
| 10 | OFF | ON | OFF | ON | P10.22 |
| 11 | ON | ON | OFF | ON | P10.24 |
| 12 | OFF | OFF | ON | ON | P10.26 |
| 13 | ON | OFF | ON | ON | P10.28 |
| 14 | OFF | ON | ON | ON | P10.30 |
| 15 | ON | ON | ON | ON | P10.32 |
Sơ đồ đấu nối biến tần

Thông số cài đặt
| Thông số | Đơn vị | Giá trị | Chức năng |
| P00.00 | 2 | Chế độ chạy V/F | |
| P00.01 | 0 | P00.01 = 0 biến tần chạy/dừng thông qua bàn phím
P00.01 = 1 biến tần chạy/dừng thông qua terminal |
|
| P00.03 | 50.00 | Hz | Tần số Max |
| P00.04 | 50.00 | Hz | Tần số ngưỡng trên |
| P00.05 | 00.00 | Hz | Tần số ngưỡng dưới |
| P00.06 | 6 | Chọn chế độ đa cấp tốc độ | |
| P00.11 | … | Giây | Thời gian tăng tốc |
| P00.12 | … | Giây | Thời gian giảm tốc |
| P04.01 | 2.0 | % | Bù moment khởi động |
| P04.09 | 0.0 | % | Tắt bù trượt |
| P05.01 | 1 | Chức năng S1: chạy thuận khi P00.01 = 1 | |
| P05.02 | 2 | Chức năng S2: chạy nghịch khi P00.01 = 1 | |
| P05.03 | 16 | Chức năng S3: tín hiệu điều khiển tốc độ 1 | |
| P05.04 | 17 | Chức năng S4: tín hiệu điều khiển tốc độ 2 | |
| P05.05 | 18 | Chức năng S5: tín hiệu điều khiển tốc độ 3 | |
| P05.06 | 19 | Chức năng S6: tín hiệu điều khiển tốc độ 4 | |
| P10.02 | … | % | Phần trăm đặt cấp tốc độ 0 |
| P10.04 | … | % | Phần trăm đặt cấp tốc độ 1 |
| P10.06 | … | % | Phần trăm đặt cấp tốc độ 2 |
| P10.08 | … | % | Phần trăm đặt cấp tốc độ 3 |
| P10.10 | … | % | Phần trăm đặt cấp tốc độ 4 |
| P10.12 | … | % | Phần trăm đặt cấp tốc độ 5 |
| P10.14 | … | % | Phần trăm đặt cấp tốc độ 6 |
| P10.16 | … | % | Phần trăm đặt cấp tốc độ 7 |
| P10.18 | … | % | Phần trăm đặt cấp tốc độ 8 |
| P10.20 | … | % | Phần trăm đặt cấp tốc độ 9 |
| P10.22 | … | % | Phần trăm đặt cấp tốc độ 10 |
| P10.24 | … | % | Phần trăm đặt cấp tốc độ 11 |
| P10.26 | … | % | Phần trăm đặt cấp tốc độ 12 |
| P10.28 | … | % | Phần trăm đặt cấp tốc độ 13 |
| P10.30 | … | % | Phần trăm đặt cấp tốc độ 14 |
| P10.32 | … | % | Phần trăm đặt cấp tốc độ 15 |
| P02.01 | … | kW | Công suất định mức động cơ |
| P02.02 | … | Hz | Tần số định mức động cơ |
| P02.03 | … | Rpm | Tốc độ định mức động cơ |
| P02.04 | … | V | Điện áp định mức động cơ |
| P02.05 | … | A | Dòng điện định mức động cơ |
Công thức quy đổi phần trăm đặt tốc độ sang tần số hoạt động của biến tần:

Trong đó:
- f: Tần số hoạt động của biến tần
- p: Phần trăm đặt cấp tốc độ
- 03: Tần số ngưỡng trên của biến tần
Xem thêm: Hướng dẫn cách cài đặt biến tần
Phương pháp 5: Điều khiển biến tần theo chế độ 3 dây
Chế độ này cho phép người điều khiển có thể điều khiển chạy dừng thuận ngược mà không cần dùng tiếp điểm duy trì, phù hợp với những ứng dụng di chuyển qua lại giữa 2 điểm tự động.
Sơ đồ đấu nối biến tần

Thông số cài đặt
| Thông số | Giá trị | Đơn vị | Chức năng |
| P00.01 | 2 | Chế độ chạy V/F | |
| P00.02 | 1 | Lệnh chạy theo tín hiệu bên ngoài | |
| P00.10 | 50 | Hz | Tần số Max |
| P00.13 | 50 | Hz | Tần số ngưỡng trên |
| P00.14 | 0 | Hz | Tần số ngưỡng dưới |
| P00.17 | … | Giây | Thời gian tăng tốc |
| P00.18 | … | Giây | Thời gian giảm tốc |
| P01.01 | … | kW | Công suất định mức động cơ |
| P01.02 | … | V | Điện áp định mức động cơ |
| P01.03 | … | A | Dòng điện định mức động cơ |
| P01.04 | … | Hz | Tần số định mức động cơ |
| P01.05 | … | Rpm | Tốc độ định mức động cơ |
| P04.11 | 2 | Chế độ 3 dây 1 | |
| P04.01 | 1 | Chạy thuận | |
| P04.02 | 2 | Chạy ngược | |
| P04.03 | 3 | 3 Wire control |
Đọc thêm: Hướng dẫn cách đấu nối biến tần 3 pha và những lưu ý khi lắp đặt
Phương pháp 6: Điều khiển biến tần qua truyền thông Modbus
Giao thức truyền thông Modbus có hai loại là ACSII và RTU, trong một mạng Modbus có thể có một master và nhiều slave.
Sơ đồ đấu nối biến tần

Thông số cài đặt
| Thông số | Giá trị | Đơn vị | Chức năng |
| P00.00 | 2 | Chế độ chạy V/F | |
| P00.01 | 1 | Chức năng biến tần chạy/dừng thông qua terminal | |
| P00.03 | 50.00 | Hz | Tần số Max |
| P00.04 | 50.00 | Hz | Tần số ngưỡng trên |
| P00.05 | 00.00 | Hz | Tần số ngưỡng dưới |
| P00.06 | 2 | Chức năng điều chỉnh tần số thông qua biến trở ngoài | |
| P00.11 | … | Giây | Thời gian tăng tốc |
| P00.12 | … | Giây | Thời gian giảm tốc |
| P04.01 | 2.0 | % | Bù moment khởi động |
| P04.09 | 0.0 | % | Tắt bù trượt |
| P05.01 | 1 | Chức năng S1 chạy thuận | |
| P05.02 | 2 | Chức năng S2 chạy nghịch | |
| P02.01 | … | kW | Công suất định mức động cơ |
| P02.02 | … | Hz | Tần số định mức động cơ |
| P02.03 | … | Rpm | Tốc độ định mức động cơ |
| P02.04 | … | V | Điện áp định mức động cơ |
| P02.05 | … | A | Dòng điện định mức động cơ |
Etinco đã hướng dẫn bạn 6 phương pháp điều khiển biến tần qua sơ đồ đấu nối và các thông số kỹ thuật cụ thể. Các thông tin khác liên quan đến biến tần có tại: https://etinco.vn/tin-tuc/.







