Sơ đồ nguyên lý tủ ATS mô tả cách thức hoạt động của tủ ATS trong việc chuyển đổi linh hoạt giữa 2 nguồn điện chính và dự phòng. Sơ đồ này bao gồm 2 thành phần quan trọng là mạch động lực và mạch điều khiển. Tham khảo 3 sơ đồ nguyên lý tủ ATS và hướng dẫn cách kết nối tủ ATS với máy phát điện trong bài viết sau đây.
Nguyên lý hoạt động của tủ ATS
Để nắm bắt được sơ đồ nguyên lý tủ ATS, trước hết bạn cần hiểu về nguyên lý hoạt động của loại tủ này.

Theo đó, tủ ATS hoạt động xoay quanh việc chuyển đổi linh hoạt giữa nguồn chính (điện lưới) và nguồn phụ (máy phát điện). Bộ điều khiển ATS trong tủ sẽ liên tục giám sát 2 nguồn điện này để đảm bảo nguồn cấp cho tải ổn định và không bị gián đoạn.
2 tình huống chuyển đổi nguồn điện cơ bản của tủ ATS như sau:
- Khi nguồn điện chính gặp sự cố: Tủ ATS sẽ tự động ngắt nguồn chính và chuyển đổi sang nguồn phụ để kết nối với phụ tải.
- Khi nguồn chính được khôi phục: Sau khi xác định nguồn chính đã ổn định, tủ ATS sẽ ngắt kết nối nguồn phụ và chuyển đổi trở lại nguồn chính.
Trung bình thời gian chuyển đổi giữa 2 nguồn điện của tủ ATS dao động trong khoảng 5 - 30s. Riêng máy phát điện sau khi ngắt kết nối sẽ chạy không tải từ 1 - 2 phút ở chế độ làm mát trước khi ngắt hoàn toàn.
Vai trò của sơ đồ nguyên lý tủ ATS
Sơ đồ nguyên lý đóng vai trò thiết yếu trong quá trình thiết kế, vận hành, sửa chữa hoặc bảo trì hệ thống ATS. Cụ thể, vai trò của sơ đồ nguyên lý tủ điện ATS được thể hiện ở các khía cạnh sau:
- Hỗ trợ lắp đặt, bảo trì: Sơ đồ nguyên lý thể hiện rõ cách thức hoạt động của tủ ATS, cung cấp hướng dẫn cụ thể cho kỹ thuật viên về cách đấu nối, góp phần giảm thiểu sai sót trong quá trình thi công.
- Đánh giá và tối ưu hệ thống: Dựa vào sơ đồ nguyên lý, người vận hành có thể dễ dàng nhận biết và phân tích các vấn đề kỹ thuật, lỗi hoặc sự cố điện, từ đó có biện pháp xử lý tối ưu nhất.
- Tiêu chuẩn hóa quy trình vận hành: Sơ đồ nguyên lý có tính quy chuẩn theo các tiêu chuẩn quốc tế và quốc gia hiện hành, giúp xây dựng quy trình vận hành thống nhất, rõ ràng.
3 dạng sơ đồ nguyên lý tủ ATS phổ biến nhất
Có 3 dạng sơ đồ nguyên lý tủ ATS kết nối với máy phát điện là sơ đồ mạch động lực, sơ đồ mạch điều khiển và sơ đồ mạch dùng contactor.
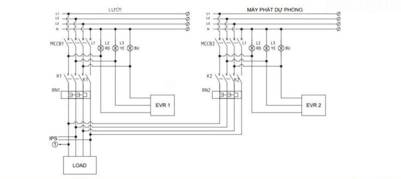
Sơ đồ mạch động lực

Các thành phần chính trong sơ đồ mạch động lực tủ ATS gồm:
- Nguồn điện lưới: Nguồn điện chính cấp cho hệ thống trong điều kiện hoạt động bình thường, thường được đấu vào đầu của MCCB hoặc ACB của nguồn điện lưới.
- Nguồn dự phòng: Thường là máy phát điện hoặc UPS lưu điện, được đấu vào MCCB/ACB của nguồn phụ.
- ACB/MCCB: Thiết bị đóng cắt mạch điện trong trường hợp có sự cố về điện cho cả nguồn lưới và nguồn dự phòng.
- Contactor: Đảm nhận nhiệm vụ đóng cắt mạch động lực để chuyển đổi giữa 2 nguồn điện, dựa trên tình trạng của nguồn điện chính. Thường sơ đồ nguyên lý tủ ATS sẽ có 2 contactor, 1 dùng cho điện lưới và 1 cho nguồn phụ.
- Busbar: Thanh dẫn điện chính, được dùng để truyền tải điện năng và kết nối các thiết bị đóng cắt với tải.
- Tải: Thiết bị, máy móc tiêu thụ điện, kết nối với busbar thông qua MCCB/MCB.
- Dây dẫn điện: Kết nối các thành phần có trong tủ ATS.
Ở điều kiện bình thường, contactor của nguồn lưới luôn ở trạng thái đóng để cấp điện cho tải. Trường hợp điện lưới bị mất, hệ thống điều khiển sẽ kích hoạt contactor của nguồn chính để chuyển sang nguồn phụ. Khi điện lưới hồi phục, contactor của nguồn dự phòng trở lại trạng thái mở.
Sơ đồ mạch điều khiển
Sơ đồ mạch điều khiển tủ ATS thường được chia thành 2 thành phần chính là mạch động lực và mạch điều khiển.

Mạch động lực bao gồm các thành phần:
- Nguồn lưới: Nguồn cấp điện chính cho tủ.
- Nguồn máy phát: Kết nối với nguồn dự phòng từ máy phát điện.
- Contactor: Chịu trách nhiệm đóng ngắt mạch điện để chuyển đổi giữa nguồn lưới và nguồn máy phát.
- Thiết bị bảo vệ: Bao gồm aptomat, cầu chì, rơ le… để bảo vệ hệ thống khỏi quá tải, ngắn mạch.
Mạch điều khiển gồm các thành phần:
- Bộ điều khiển ATS: “Bộ não” trong sơ đồ nguyên lý tủ ATS, thực hiện chức năng điều khiển, giám sát quá trình tự động chuyển nguồn của toàn hệ thống.
- Rơ le trung gian: Được dùng để chuyển tiếp tín hiệu, tự động hóa quy trình và loại bỏ nhiễu điện từ trong mạch điều khiển.
- Đèn báo: Hiển thị trạng thái hoạt động của tủ.
- Nút nhấn: Hỗ trợ thao tác điều khiển thủ công khi cần.
- Cảm biến: Đo lường thông số điện áp, dòng điện, tần số… phục vụ cho quá trình đưa tín hiệu điều khiển.
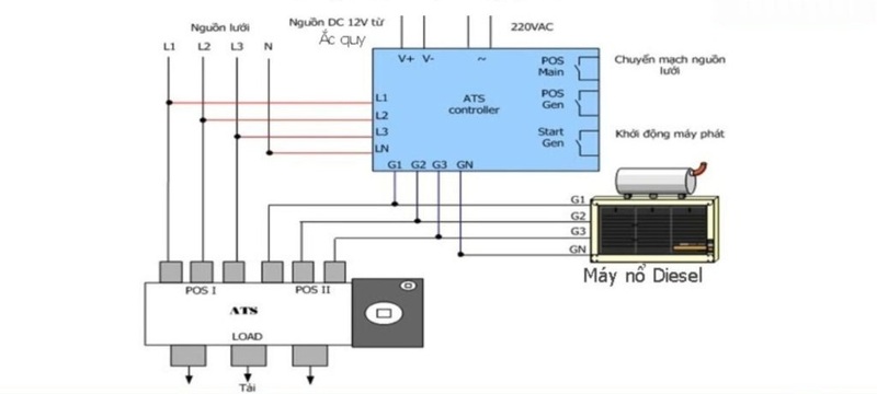
Sơ đồ mạch ATS dùng contactor đơn giản cho gia đình

Trong sơ đồ này, bảng điều khiển của máy phát có chức năng tự động chuyển đổi nguồn điện. Do đó, điện lưới sẽ được kết nối trực tiếp vào bảng điều khiển của máy phát. Tủ ATS lúc này chỉ đảm nhận chức năng chuyển mạch các tải hoặc tích hợp thêm chức năng bảo vệ.
3 cách đấu tủ ATS theo sơ đồ nguyên lý
Nếu tủ ATS được tích hợp bảng điều khiển điện tử, sẽ có 3 cách đấu nối tủ ATS với máy phát điện như sau:
- Kiểu 1 - Kết nối thông qua cổng điều khiển bên ngoài: Đa phần các bảng điều khiển của tủ ATS đều hỗ trợ tính năng này nên nếu sử dụng chức năng điều khiển từ xa cho máy phát điện, bạn chỉ cần thiết lập lại kiểu kết nối như vậy cho chức năng chậm tiến độ.

- Kiểu 2 - Kết nối thông qua cổng giao tiếp hiện đại: Chỉ kết nối hệ thống ATS với mạng điều khiển nội bộ. Hình thức kết nối này khá hiếm gặp trong thực tế.

- Kiểu 3 - Kết nối trực tiếp nguồn lưới với bảng điều khiển của máy phát: Chỉ hỗ trợ khi bảng điều khiển của máy phát điện có tính năng ATS Control. Cách kết nối này không yêu cầu bộ lập trình mà chỉ cần 2 MCCB + 1 khóa chéo về điện.

Câu hỏi thường gặp về sơ đồ nguyên lý tủ ATS
Câu hỏi 1: Có bao nhiêu cách thức kết nối tủ ATS?
Trả lời: Có 3 cách kết nối tủ ATS phổ biến nhất là:
- Kết nối thông qua bộ điều khiển bên ngoài
- Kết nối qua thông qua cổng giao tiếp hiện đại
- Kết nối trực tiếp điện lưới với bảng điều khiển của máy phát điện.
Câu hỏi 2: Sơ đồ mạch điều khiển của tủ ATS bao gồm những thành phần nào?
Trả lời: Mạch điều khiển tủ ATS bao gồm 2 thành phần chính là mạch động lực và mạch điều khiển.